W dzisiejszym poradniku skupimy się na jednym z kluczowych elementów układu elektrycznego każdego pojazdu alternatorze. Niezależnie od tego, czy jesteś doświadczonym majsterkowiczem, czy dopiero zaczynasz swoją przygodę z mechaniką samochodową, prawidłowe podłączenie alternatora z regulatorem napięcia jest absolutnie fundamentalne. Pokażę Ci krok po kroku, jak to zrobić bezpiecznie i skutecznie, unikając typowych błędów, które mogą prowadzić do poważnych awarii. Moim celem jest dostarczenie Ci kompletnej wiedzy, która pozwoli Ci cieszyć się niezawodną elektryką w Twoim samochodzie.
Prawidłowe podłączenie alternatora: klucz do niezawodnej elektryki w Twoim aucie
- Większość samochodów posiada alternatory z wbudowanym regulatorem napięcia, ale starsze modele mogą wymagać regulatora zewnętrznego.
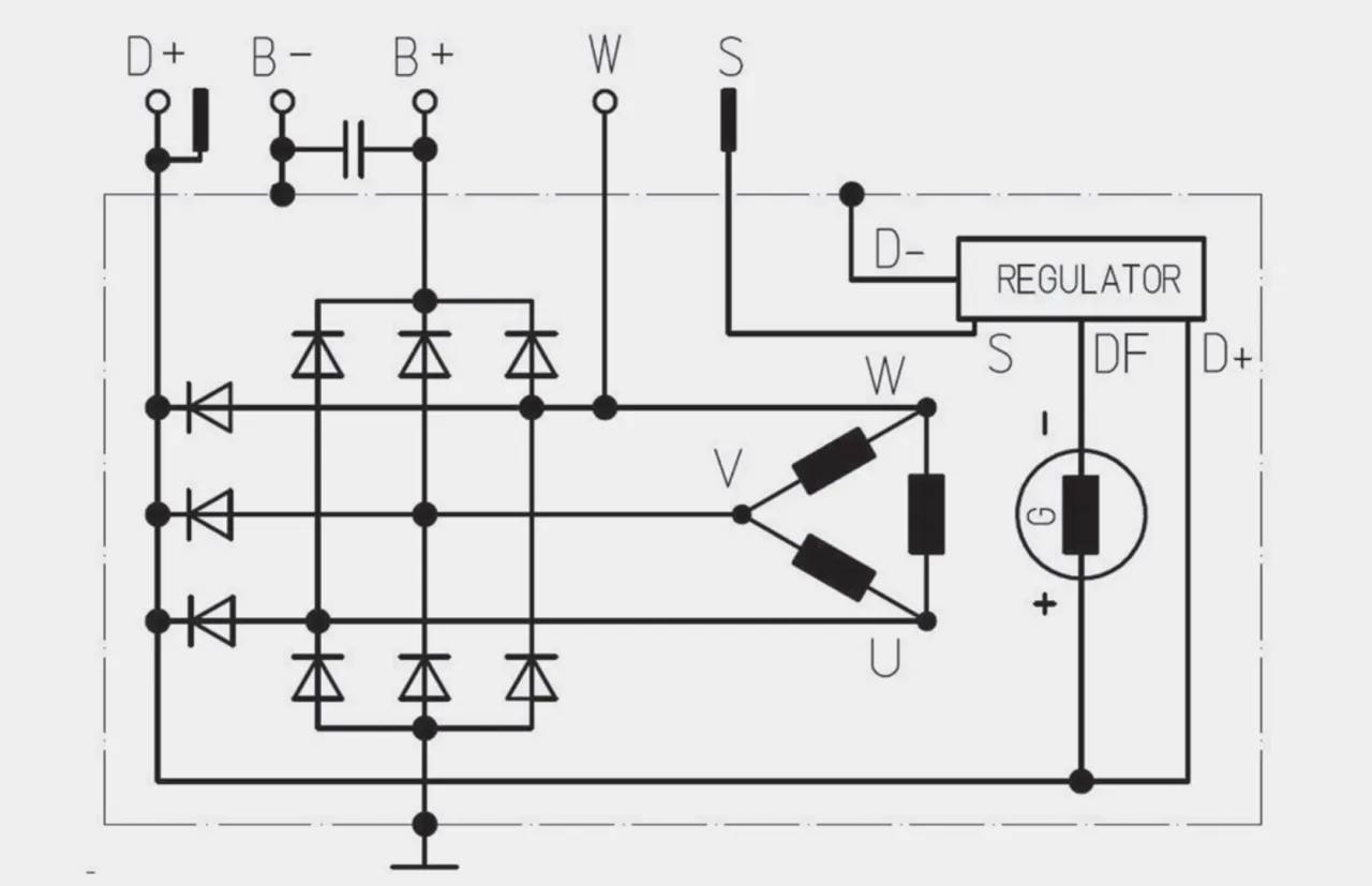
- Kluczowe zaciski alternatora to B+ (główne zasilanie), D+/L (kontrolka ładowania/wzbudzenie) oraz masa.
- Poprawne podłączenie wymaga identyfikacji przewodów, bezpiecznego połączenia z akumulatorem i obwodem wzbudzenia oraz zapewnienia dobrej masy.
- Po montażu należy zweryfikować napięcie ładowania, które powinno mieścić się w zakresie 13,8V - 14,5V.
- Najczęstsze problemy to brak ładowania (złe wzbudzenie, uszkodzona kontrolka), świecąca kontrolka (zużyte szczotki, uszkodzony regulator) lub przeładowywanie (uszkodzony regulator).
- Nowoczesne alternatory często wymagają adaptacji komputerowej ze względu na sterowanie przez ECU (systemy LIN/BSS).

Prawidłowe podłączenie alternatora: fundament elektryki Twojego auta
Alternator to serce układu elektrycznego każdego pojazdu. Jego głównym zadaniem jest generowanie prądu elektrycznego, który zasila wszystkie systemy w samochodzie od świateł, przez radio, aż po zaawansowaną elektronikę pokładową. Co więcej, alternator odpowiada za ładowanie akumulatora, zapewniając mu odpowiedni poziom energii do rozruchu silnika i stabilnej pracy. Jeśli alternator nie działa prawidłowo lub jest źle podłączony, cały system elektryczny może szwankować, a w najgorszym przypadku samochód po prostu odmówi posłuszeństwa. Dlatego tak ważne jest, aby poświęcić należytą uwagę temu procesowi i upewnić się, że wszystko jest zrobione zgodnie ze sztuką.
Rozpoznaj swój alternator: zintegrowany czy zewnętrzny regulator?
Zanim przystąpisz do podłączania, musisz wiedzieć, z jakim typem alternatora masz do czynienia. Na polskich drogach dominują samochody z alternatorami posiadającymi wbudowany (wewnętrzny) regulator napięcia. To zdecydowanie najpopularniejsze rozwiązanie, które upraszcza instalację. Jednak w starszych modelach pojazdów, takich jak klasyczne FSO Polonez, Fiat 126p, czy niektóre Mercedesy z lat 80., wciąż możemy spotkać alternatory z zewnętrznym regulatorem napięcia. To rozwiązanie jest nieco bardziej skomplikowane w podłączeniu, ale wcale nie niemożliwe do wykonania samodzielnie. Warto również wspomnieć o nowoczesnych alternatorach, które są sterowane cyfrowo przez sterownik silnika (ECU) za pomocą sygnałów LIN (Local Interconnect Network) lub BSS (Bit Synchronous Single-wire). W ich przypadku samodzielna wymiana i podłączenie może być znacznie trudniejsze, a często wymaga nawet adaptacji komputerowej. Muszę przyznać, że te systemy są coraz bardziej złożone i wymagają specyficznej wiedzy, często wykraczającej poza możliwości domowego warsztatu.Kluczowe oznaczenia, które musisz znać: B+, D+, W, L i inne
Aby prawidłowo podłączyć alternator, musisz znać oznaczenia jego zacisków. To absolutna podstawa, bez której ani rusz. Oto najczęściej spotykane oznaczenia i ich funkcje:
- B+: To główne wyjście prądowe alternatora. Z tego zacisku wychodzi gruby przewód, który prowadzi bezpośrednio do dodatniej klemy akumulatora. Często jest on zabezpieczony głównym bezpiecznikiem.
- D+ (lub L): Ten zacisk odpowiada za podłączenie lampki kontrolki ładowania na desce rozdzielczej. Dostarcza on tzw. prąd wzbudzenia, który jest niezbędny do rozpoczęcia pracy alternatora. Bez prawidłowo działającego obwodu wzbudzenia alternator nie zacznie ładować.
- W (lub P, S): Ten zacisk występuje głównie w silnikach Diesla i służy do wyprowadzenia sygnału obrotów silnika, który jest następnie wykorzystywany przez obrotomierz.
- IG (Ignition): Oznacza wejście "plus po stacyjce" (+15). Jego zadaniem jest aktywacja regulatora napięcia w momencie włączenia zapłonu.
- S (Sense): To wejście pomiarowe napięcia akumulatora. Pozwala ono regulatorowi na precyzyjniejsze dostosowanie napięcia ładowania, kompensując spadki napięcia na przewodach.
Niezbędne narzędzia i środki bezpieczeństwa przed rozpoczęciem pracy
Zanim zabierzesz się do pracy, upewnij się, że masz pod ręką odpowiednie narzędzia i pamiętaj o bezpieczeństwie. Moje doświadczenie pokazuje, że pośpiech i brak przygotowania to najkrótsza droga do problemów.
- Klucze płaskie i nasadowe: Do odkręcania i przykręcania śrub mocujących alternator oraz zacisków przewodów.
- Miernik uniwersalny (multimetr): Niezbędny do pomiaru napięcia i ciągłości obwodów, co pozwoli na weryfikację prawidłowego działania.
- Śrubokręty: Płaskie i krzyżakowe, do różnych zastosowań.
- Szczotka druciana i papier ścierny: Do oczyszczania styków i zapewnienia dobrej przewodności.
- Oczko do kabli i zaciskarka (opcjonalnie): Jeśli będziesz musiał dorabiać lub naprawiać przewody.
- Rękawice ochronne i okulary: Zawsze pamiętaj o ochronie osobistej!
Najważniejsze zasady bezpieczeństwa:
- Zawsze odłącz akumulator: To absolutna podstawa! Zdejmij najpierw klemę ujemną (-), a następnie dodatnią (+). Zapobiegnie to przypadkowym zwarciom i uszkodzeniu instalacji elektrycznej lub co gorsza, porażeniu prądem.
- Upewnij się, że silnik jest zimny: Praca przy gorącym silniku jest nie tylko niekomfortowa, ale i niebezpieczna.
- Pracuj w dobrze oświetlonym miejscu: Dobra widoczność to podstawa precyzji.
Podłączanie alternatora z wbudowanym regulatorem: instrukcja krok po kroku
Alternator z wbudowanym regulatorem napięcia to najczęściej spotykany typ w większości współczesnych samochodów. Proces jego podłączania jest stosunkowo prosty, ale wymaga precyzji. Poniżej przedstawiam szczegółową instrukcję, która pomoże Ci przejść przez ten proces bez problemów.
Krok 1: Identyfikacja kluczowych przewodów gruby plus (B+) i cienki od kontrolki (D+)
Zacznij od zlokalizowania odpowiednich przewodów w instalacji samochodu. To kluczowy etap, który wymaga uwagi. Zazwyczaj znajdziesz:
- Gruby przewód prądowy (B+): Jest to najgrubszy przewód wychodzący z alternatora, zazwyczaj w kolorze czerwonym. Jego zadaniem jest przesyłanie wygenerowanego prądu do akumulatora i reszty instalacji. Szukaj go w pobliżu głównego zacisku śrubowego alternatora.
- Cienki przewód (D+/L): Ten przewód jest znacznie cieńszy i prowadzi do lampki kontrolki ładowania na desce rozdzielczej. Może mieć różne kolory w zależności od marki i modelu samochodu, ale jego cienka natura jest charakterystyczna. Czasem jest podłączony do małej wtyczki.
Upewnij się, że przewody są w dobrym stanie, bez przetarć czy śladów korozji. W razie wątpliwości zawsze warto sprawdzić ciągłość obwodu miernikiem.
Krok 2: Jak bezpiecznie podłączyć główny przewód prądowy do akumulatora?
Podłączenie głównego przewodu prądowego B+ to najważniejszy krok. Pamiętaj, że przez ten przewód płyną duże prądy, więc połączenie musi być solidne i bezpieczne.
- Zlokalizuj zacisk B+ na alternatorze zazwyczaj jest to duża śruba z nakrętką.
- Podłącz do niego gruby przewód, który prowadzi do dodatniej klemy akumulatora (+). Upewnij się, że oczko przewodu jest czyste i dobrze przylega do zacisku.
- Dokręć nakrętkę z odpowiednią siłą. Nie przesadź, aby nie uszkodzić gwintu, ale też nie zostawiaj luzu, bo słaby styk może prowadzić do przegrzewania się i spadków napięcia.
- W wielu samochodach ten przewód przechodzi przez główny bezpiecznik (tzw. bezpiecznik topikowy lub maxi-bezpiecznik) umieszczony w skrzynce bezpieczników lub bezpośrednio przy akumulatorze. Upewnij się, że jest on sprawny i ma odpowiednią wartość.
Zawsze sprawdzam to połączenie dwukrotnie, bo to od niego zależy całe zasilanie.
Krok 3: Rola kontrolki ładowania: podłączanie obwodu wzbudzenia
Obwód wzbudzenia, realizowany przez przewód D+/L i kontrolkę ładowania, jest absolutnie kluczowy dla prawidłowej pracy alternatora. Bez niego alternator po prostu nie zacznie ładować.
- Zlokalizuj mały zacisk D+ (lub L) na alternatorze. Często jest to mała wtyczka lub pojedynczy pin.
- Podłącz do niego cienki przewód, który prowadzi do lampki kontrolki ładowania na desce rozdzielczej.
- Drugi koniec lampki kontrolki (po stronie deski rozdzielczej) powinien być podłączony do "plusa po stacyjce" (+15), czyli zasilania pojawiającego się po włączeniu zapłonu.
Gdy włączasz zapłon, lampka kontrolna powinna się zaświecić. Oznacza to, że prąd płynie przez żarówkę, wzbudzając alternator. Po uruchomieniu silnika i rozpoczęciu ładowania, napięcie na obu końcach lampki wyrównuje się, co powoduje jej zgaśnięcie. Jeśli lampka nie gaśnie, to sygnał, że coś jest nie tak z ładowaniem.
Krok 4: Sprawdzenie masy: dlaczego jest tak samo ważna jak plus?
Wielu początkujących mechaników skupia się na podłączeniu plusa, zapominając o równie ważnej masie. Prawidłowe połączenie masy jest absolutnie kluczowe dla efektywnej pracy alternatora i całej instalacji elektrycznej. Obudowa alternatora musi mieć pewne i czyste połączenie z masą silnika, a co za tym idzie, z masą karoserii i akumulatora.- Upewnij się, że powierzchnie styku alternatora z blokiem silnika są czyste, wolne od rdzy, farby czy brudu.
- Sprawdź stan paska masowego (plecionki) łączącego silnik z karoserią. Jeśli jest skorodowany lub uszkodzony, wymień go.
- Możesz również dodać dodatkowy przewód masowy, łączący obudowę alternatora bezpośrednio z masą silnika lub akumulatora, aby zapewnić optymalne połączenie.
Słabe połączenie masowe może prowadzić do spadków napięcia, przegrzewania się przewodów, a nawet braku ładowania. To częsta, choć często niedoceniana przyczyna problemów.
Weryfikacja po montażu: jak zmierzyć napięcie i upewnić się, że wszystko działa?
Po podłączeniu alternatora i ponownym podłączeniu akumulatora (najpierw plus, potem minus), nadszedł czas na weryfikację. To moment prawdy, który pozwoli Ci upewnić się, że wszystko działa jak należy.
- Uruchom silnik samochodu. Zwróć uwagę, czy kontrolka ładowania na desce rozdzielczej gaśnie po uruchomieniu. Jeśli tak, to dobry znak.
- Ustaw miernik uniwersalny na pomiar napięcia stałego (DCV) w zakresie do 20V.
- Przy pracującym silniku (najlepiej na wolnych obrotach, a następnie przy podwyższonych do około 2000 obr./min) przyłóż czerwoną sondę miernika do dodatniej klemy akumulatora (+), a czarną sondę do ujemnej klemy akumulatora (-).
- Odczytaj wartość napięcia. Prawidłowe napięcie ładowania powinno mieścić się w zakresie od 13,8V do 14,5V. Jeśli napięcie jest niższe (np. poniżej 13V) lub znacznie wyższe (np. powyżej 15V), oznacza to problem.
- Włącz kilka odbiorników prądu (np. światła drogowe, radio, wentylator nawiewu) i ponownie sprawdź napięcie. Powinno ono pozostać w prawidłowym zakresie, z niewielkim spadkiem.
Jeśli wszystko jest w normie, gratuluję! Twój alternator jest prawidłowo podłączony i pracuje efektywnie.

Alternator z zewnętrznym regulatorem: wyzwanie dla klasyków
Podłączanie alternatora z zewnętrznym regulatorem to nieco bardziej złożone zadanie, które spotkamy głównie w starszych, klasycznych pojazdach. Wymaga ono zrozumienia, jak regulator współpracuje z alternatorem i jak są ze sobą połączone. To jest to, co nazywam prawdziwą szkołą starej motoryzacji!
Rozszyfrowanie pinów: gdzie podpiąć przewody DF, D+, 15 i 31?
W przypadku alternatora z zewnętrznym regulatorem, musimy połączyć ze sobą nie tylko alternator i akumulator, ale także alternator z regulatorem, a regulator z instalacją pojazdu. Oto jak to wygląda:
- Zacisk 67 (lub DF - Dynamo Field) na alternatorze: Ten zacisk odpowiada za sterowanie prądem wzbudzenia. Łączy się go z zaciskiem DF na regulatorze napięcia. To połączenie odpowiada za regulację pola magnetycznego w alternatorze.
- Zacisk D+ na alternatorze: Ten zacisk, podobnie jak w alternatorach z wbudowanym regulatorem, służy do wyprowadzenia napięcia wzbudzenia. Łączy się go z zaciskiem D+ na regulatorze.
- Zacisk 15 na regulatorze: To wejście zasilania "plus po stacyjce". Regulator potrzebuje zasilania, aby działać, więc ten zacisk musi być podłączony do przewodu, na którym pojawia się napięcie po włączeniu zapłonu.
- Zacisk 31 na regulatorze: To zacisk masowy. Regulator musi mieć pewne połączenie z masą pojazdu (karoserią lub bezpośrednio z akumulatorem). Często masa jest realizowana przez obudowę regulatora, ale zawsze warto to sprawdzić.
Schemat połączeń między alternatorem a regulatorem: wizualny przewodnik
Wyobraź sobie, że regulator zewnętrzny to mózg, który decyduje, ile prądu ma wyprodukować alternator. Regulator jest zasilany "plusem po stacyjce" (zacisk 15) i uziemiony (zacisk 31). Otrzymuje on informację o napięciu z alternatora (przez D+) oraz steruje prądem wzbudzenia (przez DF/67). Lampka kontrolna ładowania jest zazwyczaj podłączona między "plus po stacyjce" (15) a zacisk D+ (lub 61) na regulatorze. Gdy regulator zaczyna działać i alternator ładuje, napięcie na D+ rośnie, powodując zgaśnięcie lampki. To dość sprytne rozwiązanie, choć wymaga więcej przewodów i punktów styku, które mogą być źródłem problemów.
Najczęstsze pułapki w starszych instalacjach: na co zwrócić szczególną uwagę?
Praca przy starszych samochodach to często podróż w czasie, która potrafi zaskoczyć. W przypadku alternatorów z zewnętrznym regulatorem, oprócz prawidłowych połączeń, trzeba zwrócić uwagę na stan samej instalacji:
- Korozja na stykach i złączach: Stare przewody i złącza są bardzo podatne na korozję, która znacząco zwiększa oporność i może prowadzić do spadków napięcia lub całkowitego braku przewodności. Zawsze dokładnie czyść wszystkie styki.
- Kruche i przetarte przewody: Izolacja przewodów z biegiem lat staje się krucha i może pękać, odsłaniając żyły i grożąc zwarciami. Sprawdź każdy przewód, a jeśli jest uszkodzony, wymień go lub napraw.
- Słabe punkty masowe: W starszych autach punkty masowe często ulegają korozji. Upewnij się, że alternator, silnik i regulator mają solidne połączenie z masą karoserii.
- Uszkodzone lub nieoryginalne regulatory: Niestety, na rynku wtórnym można trafić na regulatory niskiej jakości lub takie, które nie są odpowiednie dla danego alternatora. Zawsze staraj się używać części sprawdzonych producentów.
W mojej praktyce często widziałem, jak pozornie prosty problem z ładowaniem okazywał się wynikiem zaniedbań w całej, starej instalacji.
Diagnoza problemów: co może pójść nie tak przy podłączaniu alternatora?
Nawet jeśli podłączysz alternator zgodnie z instrukcją, mogą pojawić się problemy. Kluczem jest umiejętność szybkiej i trafnej diagnozy. Nie panikuj, tylko metodycznie szukaj przyczyny.
Brak ładowania po podłączeniu: gdzie szukać przyczyny?
To jeden z najczęstszych problemów. Wsiadasz do auta, odpalasz, a kontrolka ładowania nie gaśnie lub miernik pokazuje niskie napięcie. Co może być przyczyną?
- Złe podłączenie przewodu wzbudzenia (D+): To najczęstsza przyczyna. Sprawdź, czy przewód D+ jest prawidłowo podłączony do alternatora i czy ma połączenie z kontrolką ładowania.
- Uszkodzona kontrolka ładowania: W starszych systemach przepalona żarówka kontrolki przerywa obwód wzbudzenia, uniemożliwiając alternatorowi rozpoczęcie pracy. Sprawdź żarówkę.
- Słaby styk na złączach: Luźne lub skorodowane połączenia na przewodzie B+ lub D+ mogą uniemożliwić przepływ prądu. Dokładnie sprawdź i oczyść wszystkie styki.
- Brak masy: Słabe połączenie masowe alternatora z silnikiem lub karoserią to częsty winowajca. Upewnij się, że obudowa alternatora ma pewny styk z masą.
- Uszkodzony regulator napięcia: Nawet nowy regulator może być wadliwy. Jeśli masz możliwość, sprawdź go lub podmień na inny.
- Uszkodzony mostek prostowniczy lub diody: Wewnątrz alternatora mogą ulec uszkodzeniu diody prostownicze, co uniemożliwia prawidłowe ładowanie. Wymaga to demontażu alternatora.
Dlaczego kontrolka ładowania nie gaśnie (lub w ogóle się nie zapala)?
Świecąca kontrolka ładowania to jasny sygnał problemu. Jeśli w ogóle się nie zapala po włączeniu zapłonu, to również powód do niepokoju.
-
Kontrolka nie gaśnie:
- Zużyte szczotki alternatora: Szczotki zużywają się i przestają przewodzić prąd wzbudzenia. Wymiana szczotek często rozwiązuje problem.
- Uszkodzony regulator napięcia: Regulator może nieprawidłowo sterować prądem wzbudzenia lub sam być uszkodzony.
- Uszkodzony mostek prostowniczy lub diody: Jak wspomniałem wcześniej, uszkodzenie diod może powodować brak ładowania i świecenie kontrolki.
- Ślizgający się pasek klinowy: Jeśli pasek napędzający alternator jest luźny lub zużyty, alternator nie będzie osiągał odpowiednich obrotów i nie będzie ładował efektywnie.
-
Kontrolka w ogóle się nie zapala:
- Przepalona żarówka kontrolki: Sprawdź żarówkę na desce rozdzielczej.
- Brak zasilania "plus po stacyjce" do kontrolki: Sprawdź, czy do kontrolki dochodzi zasilanie po włączeniu zapłonu.
- Przerwa w przewodzie D+/L: Przewód od kontrolki do alternatora może być przerwany.
Zbyt wysokie napięcie ładowania: cichy zabójca akumulatora
Zbyt wysokie napięcie ładowania (powyżej 14,5V, a zwłaszcza powyżej 15V) jest równie niebezpieczne, jak jego brak. Może ono doprowadzić do zagotowania elektrolitu w akumulatorze, jego trwałego uszkodzenia, a także uszkodzenia innych elementów elektryki pojazdu, takich jak żarówki, radio czy sterowniki elektroniczne. W mojej ocenie, jest to zazwyczaj objaw uszkodzonego regulatora napięcia. Regulator nie jest w stanie prawidłowo ograniczyć napięcia wyjściowego alternatora, co prowadzi do przeładowywania. W takiej sytuacji konieczna jest natychmiastowa wymiana regulatora.
Pomyliłem przewody: jak ocenić potencjalne uszkodzenia?
To błąd, który może się zdarzyć każdemu, ale jego konsekwencje mogą być poważne. Najgorsze, co możesz zrobić, to pomylić przewód B+ (gruby plus) z D+ (cienki od kontrolki). Co wtedy?
- Zwarcie: Jeśli B+ zostanie podłączony do D+, a D+ jest uziemiony (np. przez uszkodzoną kontrolkę lub zwarcie w instalacji), może dojść do zwarcia.
- Uszkodzenie diod w alternatorze: Alternator zawiera diody prostownicze, które są wrażliwe na niewłaściwe podłączenie. Zwarcie lub podanie napięcia w niewłaściwym kierunku może je uszkodzić.
- Przepalenie bezpieczników: W najlepszym wypadku przepali się bezpiecznik (główny lub ten od obwodu wzbudzenia), chroniąc resztę instalacji.
- Uszkodzenie regulatora napięcia: Niewłaściwe podłączenie może również uszkodzić sam regulator.
Jeśli pomyliłeś przewody, natychmiast odłącz akumulator. Sprawdź wszystkie bezpieczniki. Następnie, za pomocą miernika, sprawdź ciągłość obwodów i poszukaj śladów zwarcia. Warto również sprawdzić diody alternatora (jeśli masz dostęp i wiesz, jak to zrobić) oraz sam regulator. W niektórych przypadkach konieczna może być wizyta u elektryka samochodowego.
Alternatory w nowoczesnych autach: czy samodzielne podłączenie jest możliwe?
Współczesna motoryzacja idzie w kierunku coraz większej złożoności, a alternatory nie są wyjątkiem. To, co kiedyś było prostym urządzeniem elektromechanicznym, dziś staje się integralną częścią zaawansowanego systemu zarządzania energią. Muszę przyznać, że to spore wyzwanie dla domowych mechaników.
Rola sterownika ECU i systemów LIN/BSS w zarządzaniu ładowaniem
W nowoczesnych pojazdach alternator nie działa już autonomicznie. Jego pracą zarządza sterownik silnika (ECU), a często również osobny system zarządzania akumulatorem (BMS - Battery Management System). Komunikacja między tymi modułami a alternatorem odbywa się za pomocą cyfrowych magistral danych, takich jak LIN (Local Interconnect Network) lub BSS (Bit Synchronous Single-wire). Sterownik ECU na bieżąco dostosowuje napięcie ładowania w zależności od wielu czynników, takich jak:
- Stan naładowania akumulatora.
- Temperatura akumulatora i otoczenia.
- Obciążenie instalacji elektrycznej (np. włączone światła, klimatyzacja).
- Styl jazdy kierowcy (np. podczas hamowania silnikiem alternator może ładować intensywniej, aby odzyskać energię).
To wszystko ma na celu optymalizację zużycia paliwa i wydłużenie żywotności akumulatora. To już nie jest proste "włącz/wyłącz", ale dynamiczne sterowanie.
Przeczytaj również: Sprzęgło alternatora objawy: Rozpoznaj usterkę, zanim zniszczy silnik!
Konieczność adaptacji komputerowej: kiedy wizyta w warsztacie jest niezbędna?
Właśnie ze względu na tę złożoność, samodzielna wymiana i podłączenie alternatora w nowoczesnym samochodzie bez odpowiedniego sprzętu diagnostycznego może prowadzić do poważnych problemów. Po wymianie alternatora, w wielu przypadkach konieczna jest adaptacja komputerowa. Polega ona na poinformowaniu sterownika ECU o nowym komponencie, jego parametrach i zresetowaniu wartości adaptacyjnych. Bez tego alternator może nie działać prawidłowo, co objawi się:
- Brak ładowania lub nieprawidłowe napięcie ładowania.
- Świecąca kontrolka ładowania na desce rozdzielczej.
- Pojawienie się błędów w pamięci sterownika (DTC).
- Skrócona żywotność akumulatora.
Dlatego, jeśli masz nowoczesne auto, a nie dysponujesz odpowiednim interfejsem diagnostycznym i oprogramowaniem, wizyta w warsztacie jest niezbędna. Fachowiec podłączy samochód do komputera, przeprowadzi adaptację i upewni się, że nowy alternator jest prawidłowo zintegrowany z systemem pojazdu. Moim zdaniem, w tych przypadkach oszczędność na wizycie w warsztacie może kosztować znacznie więcej w przyszłości.
